服務熱線
021-33617555
全國服務熱線:
021-33617555
HH49X微阻緩閉蝶式止回閥可用在清水、污水、海水等介質的排水管道上,既能防止介質倒流,又能有效的限制破壞性水錘,保證管線的使用安全。不宜適用于含有固體顆粒和粘度較大的顆粒介質。
微阻緩閉蝶式止回閥具有結構新穎、體積小、重量輕、流體阻力小、密封可靠、啟閉平穩、耐磨損、使用壽命長,油壓、緩閉不受介質影響,有較好的節能效果等特點。
HH49X微阻緩閉蝶式止回閥
產品名稱:微阻緩閉止回閥
產品型號:HH49X,HH46X,HH48X
適用介質:水油
緩閉時間:3-60秒
公稱壓力:1.0-2.5MPA
公稱通徑:40-800mm
適用溫度:0-80℃(如有需要可達200℃)
法蘭標準:GB/T 17241.6GB/T9113
試驗標準:GB/T 13927 AP1598
產品簡介
HH49X微阻緩閉蝶式止回閥可用在清水、污水、海水等介質的排水管道上,既能防止介質倒流,又能有效的限制破壞性水錘,保證管線的使用安全。不宜適用于含有固體顆粒和粘度較大的顆粒介質。
微阻緩閉蝶式止回閥具有結構新穎、體積小、重量輕、流體阻力小、密封可靠、啟閉平穩、耐磨損、使用壽命長,油壓、緩閉不受介質影響,有較好的節能效果等特點。
產品詳情
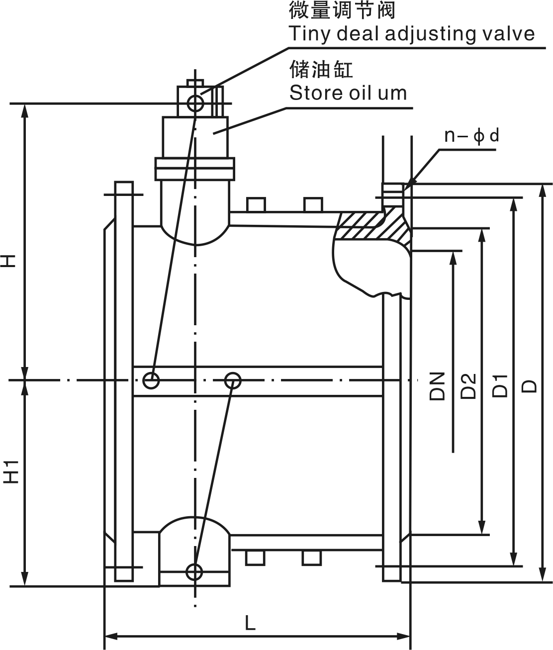
主要由閥體、兩塊半圓閥瓣、回位彈簧、儲油缸、緩閉小氣缸組、針型閥(微量調節閥)組成。其原理主要依靠進口介質的推力作用,將兩塊閥瓣平穩推開。在此同時,進口的壓力介質進入油缸內活塞的下部,推動活塞,將活塞上部的油通過針型閥分別壓入閥體兩側的小氣缸尾端,使小氣缸內的活塞桿伸出。當進口介質壓力下降低于出口壓力時,介質將產生回流,此時閥瓣在彈簧和介質回流的作用下,將自動關閉。但由于活塞桿處于伸出的位置,頂住閥瓣不能全部關閉,還剩有20%左右的面積使介質通過,從而起到了消除水錘的作用。閥瓣被活塞分成先快速關閉后緩慢兩步關閉,達到既防電機逆轉又起消除靜音作用。
連接尺寸
DN |
40 |
50 |
65 |
80 |
100 |
125 |
150 |
200 |
250 |
300 |
350 |
400 |
450 |
500 |
600 |
700 |
800 |
900 |
1000 |
L |
140 |
150 |
170 |
180 |
190 |
200 |
210 |
230 |
250 |
270 |
290 |
310 |
330 |
350 |
390 |
430 |
470 |
510 |
550 |
H |
200 |
215 |
225 |
235 |
280 |
290 |
310 |
350 |
415 |
450 |
480 |
550 |
585 |
290 |
720 |
780 |
840 |
990 |
1050 |
H1 |
88 |
98 |
108 |
118 |
130 |
148 |
172 |
210 |
240 |
264 |
297 |
324 |
351 |
480 |
434 |
491 |
549 |
600 |
655 |
微阻緩閉蝶閥止回閥:
結構特點及用途Structures charcteristics and usahe
本閥是安裝于管路中或水泵出口處用于泵停機時防止管路中壓差水錘沖擊水泵倒轉的安全裝置。具有結構新穎、體積小、重量輕、流體
阻力小、密封可靠、啟閉平穩、使用壽命長、有較好節能效果等特點。
適用于給排水、消防、暖通等系統的有關管路或泵出口處防止介質倒流所產生的水錘對泵與管路的損害,形成消聲效果。

